+86 028-85255257
兼容AFBR-1629Z,国产替代光模块
产品介绍
FT-1629Z/2529Z系列光纤收发器件,可配合650nm塑料光纤使用,为工业、发电、医疗、交通和游戏应用等领域提供高性能低成本的光纤通信链路。
FT-1629Z/2529Z与AVAGO的AFBR-1629Z/2529Z系列产品兼容,支持工业标准的塑料光纤接口,提供水平结构。FT-1629Z/2529Z能够适配直径1mm的塑料光纤和直径200μm的PCS光纤,搭配1mm直径的塑料光纤使用,可实现min50米的传输距离。
FT-1629Z为发射器,由一颗峰值波长为650nm的高功率LED芯片和其驱动芯片封装而成,配合1mm芯径的塑料光纤在5V电源电压下输出光功率典型值为-2dBm。FT-2529Z为接收器,由一颗集成光电二极管的高增益跨阻放大器构成,输出级为轨到轨结构,最终输出TTL电平。为了提高接收器输出脉宽的稳定性,接收芯片设计了自动脉宽校准电路,脉宽失真在±4ns以内。
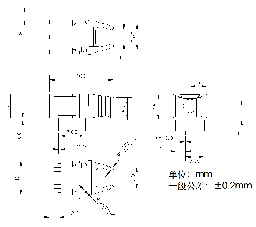
外形尺寸图(FT-1629Z)
外形尺寸图(FT-2529Z)
产品型号列表
| 产品型号 | 说明 | 
| FT-1629Z | 发射器件 | 
| FT-2529Z | 接收器件 | 
北亿纤通 | F-tone Networks
企业邮箱:sales@f-tone.com
企业网站:www.f-tone.com
企业网站:www.sfpgmk.com
企业电话:028-85255257
企业传真:028-85977702
注:本产品有全国产化型号可选
本产品为FT系列,仅展示部分参数,如有需要,请联系我们。
Important Notice
Performance figures, data and any illustrative material provided in this data sheet are typical and must be specifically confirmed in writing by F-tone Networks before they become applicable to any particular order or contract. In accordance with the F-tone Networks policy of continuous improvement specifications may change without notice.
The publication of information in this data sheet does not imply freedom from patent or other protective rights of F-tone Networks or others. Further details are available from any F-tone Networks sales representative.